产品分类

乐投(中文)官方网站

LETOU

选型热线:

13026586111(韩工)

15866635707(王工)

0531-88601217

网址:www.digilint.com 

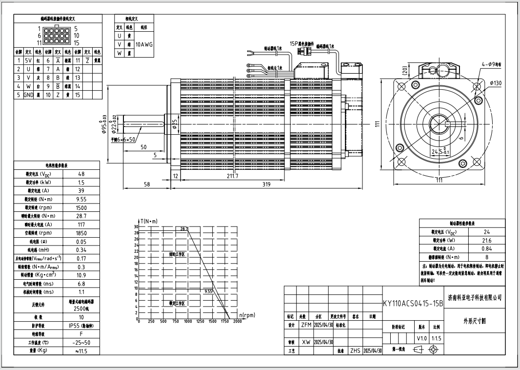
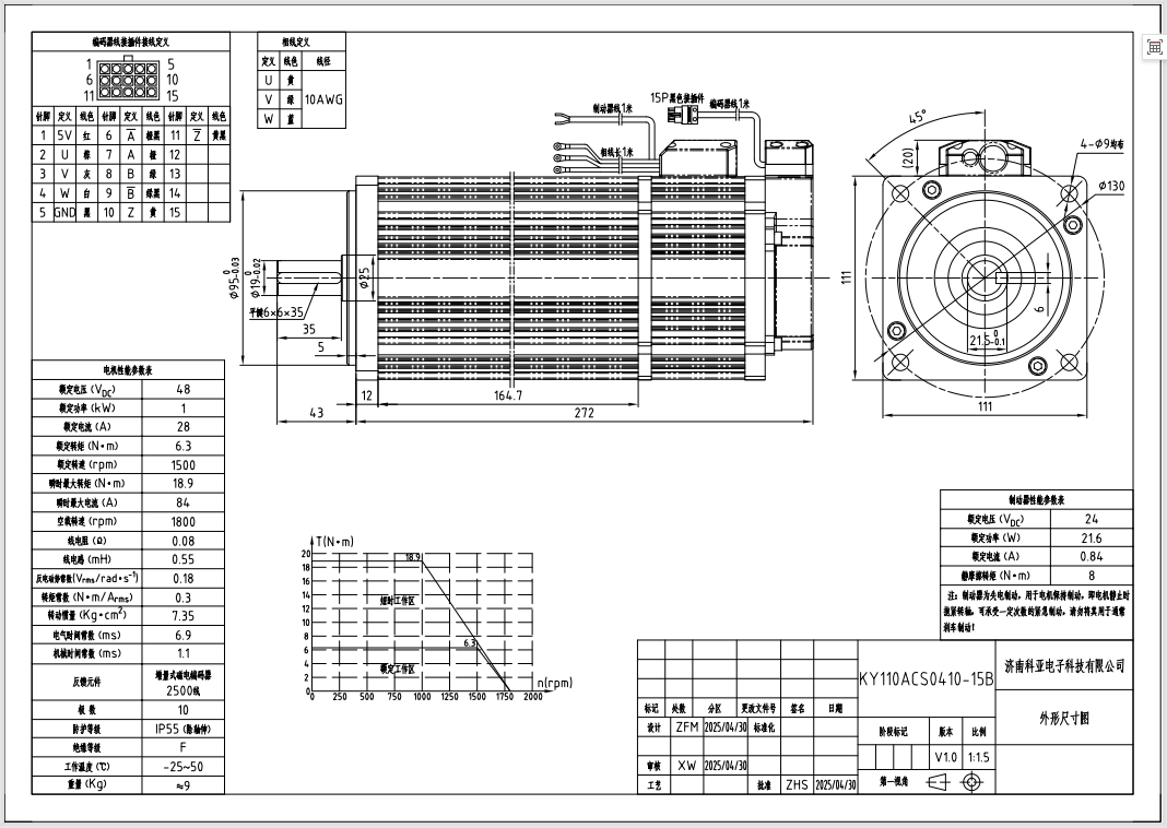
鹰潭直流伺服110系列 48V 0.5KW-1.5KW 1500RPM

您的当前位置: 首 页 >> 产品中心 >> 鹰潭LETOU

鹰潭直流伺服110系列 48V 0.5KW-1.5KW 1500RPM

  • 所属分类:鹰潭LETOU

  • 点击次数:
  • 发布日期:2025/07/31
  • 在线询价
详细介绍

产品特性:

¨  满足一级能效

¨  响应速度快,热传导效率高,散热快,温升速度慢

¨  多槽极设计,齿槽脉动转矩小,电机运行平稳、安全可靠

¨  定子采用H级漆包线,耐高温,过载能力强

¨  转子采用自有的国家zhuanli技术(ZL201620037092.7)稳定性强

¨  支持定制服务


产品参数:

产品型号

KY110ACS0405-15

KY110ACS0408-15

KY110ACS0410-15

KY110ACS0415-15

KY110ACS0405-15B

KY110ACS0408-15B

KY110ACS0410-15B

KY110ACS0415-15B

参数

额定电压

48V

48V

48V

48V

额定功率

500W

800W

1000W

1500W

额定电流

13A

22A

28A

39A

额定转速

1500RPM

1500RPM

1500RPM

1500RPM

额定转矩

3.2N.m

5N.m

6.3N.m

9.55N.m

空载转速

1700RPM

2000RPM

 1800RPM

 1850RPM

瞬时最大电流

39A

66A

84A

117A

瞬时最大转矩

9.6N.m

15N.m

 18.9N.m

 28.7N.m

极    数

10

10

10

10

反馈信号

(标配)增量式编码器   (选配)绝对值编码器

无制动器

标配

(选配)制动器

额定电压

24V

功    率

21.6W

制动方式

失电制动

静摩擦力

8N.m

环境温度

-25-+50℃

存储温度

-35-+65℃

防护等级

IP55

冷却方式

自然冷却

重    量

5.4kg

6.4kg

7.5kg

10kg

6.9kg

7.9kg

9kg

11.5kg


image.png


image.png


image.png

image.png

本文网址:/product/653.html

关键词:低压直流,伺服电机

最近浏览: