人工智能领域

产品分类

乐投(中文)官方网站

LETOU

选型热线:

13026586111(韩工)

15866635707(王工)

网址:www.digilint.com 

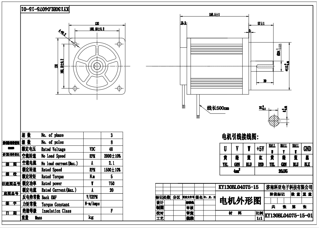
直流无刷电机130系列 48V 750W 1500RPM

您的当前位置: 首 页 >> 产品中心 >> 直流无刷电机

直流无刷电机130系列 48V 750W 1500RPM

  • 所属分类:直流无刷电机

  • 点击次数:
  • 发布日期:2023/01/05
  • 在线询价
详细介绍

130.jpg

KY130BL04075-15.png

电机型号及参数:

●电机型号:KY130BL04075-15

●额定电压:48V

●额定功率:750W

●额定转速:1500PM

●额定转矩:5N.m

●额定电流:20A


本文网址:/product/708.html

关键词:直流无刷电机,无刷电机

最近浏览: