人工智能领域

产品分类

乐投(中文)官方网站

LETOU

选型热线:

13026586111(韩工)

15866635707(王工)

网址:www.digilint.com 

直流无刷电机86系列 48V 400W 3000RPM

您的当前位置: 首 页 >> 产品中心 >> 直流无刷电机

直流无刷电机86系列 48V 400W 3000RPM

  • 所属分类:直流无刷电机

  • 点击次数:
  • 发布日期:2022/12/30
  • 在线询价
详细介绍

KY86BL0404-30.jpg

48V  3000RPM.png

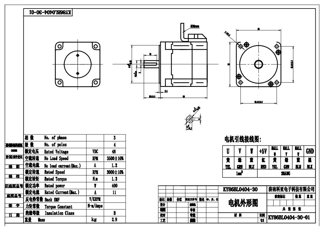
电机型号及参数:

●电机型号:KY86BL0404-30

●额定电压:48V

●额定功率:400W

●额定转速:3000RPM

●额定转矩:1.3N.m

●额定电流:11A

●重量:2.9kg


本文网址:/product/696.html

关键词:

上一篇:没有了
下一篇:直流无刷电机86系列 48V 785W 3700RPM

最近浏览: